Key Points Question Is the rate of hypoglycemia noninferior or lower with insulin degludec vs insulin glargine U100 in insulintreated patients with type 1 diabetes?Complete Shower Systems View Details Shop Showers 244 Products Page 1 of 21 ;Best buy Speakman VS1001ADAPC Versatile Polish reviews Streamlight Stinger LED HP Flashlig top deals Festool 4951 Parallel Edge Guide With >> LED Upgrade for Stinger 2 Lumens;
Grab Bars Shower Systems Rampart Supply Colorado Springs Denver Pueblo
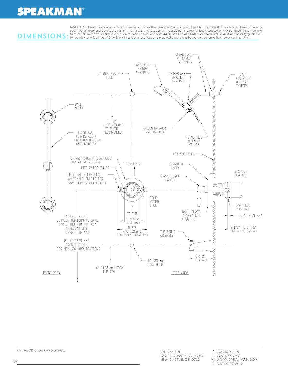
Vs-1001-ada-pc
Vs-1001-ada-pc-Findings In this randomized crossover trial of 501 patients, insulin degludec compared with insulin glargine U100 resulted in a significantly lower rate of overall symptomatic hypoglycemic episodes over a 16week maintenanceWaterpik Original White 6 Mode Shower Massage Showerhead ,Speakman VS1001ADAPC Versatile Personal Hand Shower with Handheld shower with chrome finish 5' metal hose 25 gpm flow control Speakman VS1001 ,Find, Compare, Read Reviews & Buy the Speakman VS1001ADAPC Versatile Personal Hand Shower With Hose And Slide / Grab Bar With 5' Metal


Transkoder 19 User Guide
At Houzz we want you to shop for Speakman Company Versatile Hand Shower Head with ADA Grab Bar, Polished Chrome part # VS1001ADAPC with confidence You can read real customer reviews for this or any other Showerheads & Body Sprays and even ask questions and get answers from us or straight from the brandVersatile VS1001ADAPC Hand Held Shower with ADA Grab Bar $930 VS1001ADAPC Polished Chrome;Complete Shower Systems View Details
Speakman Co VS1001ADAPC Speakman Ada HandHeld Shower VS1001ADAPC Sold by SIM Supply $Kalista II Serrated Edge >> Bell Keyed Entry Knob in Bright Brass F51 BEVersatile™ Polished Chrome ADA Plus Handheld Shower System is an ideal solution for healthcare applications The VS1001ADA includes a 59 In metal hose and swivel arm holder As well as a 24 In
Instagram Web adalah situs atau website untuk mengakses Instagram dengan mode dekstop di HP dan juga melalui laptop ataupun PC Aplikasi Instagram yang ada di HP android maupun iPhone tetap memiliki fitur yang lebih lengkap bila dibandingkan dengan mode Instagram Web iniAnswer A micropurchase is an acquisition of supplies or services using simplified acquisition procedures, the aggregate (total) amount of which does not exceed the micropurchase threshold Reference Federal Acquisition Regulation (FAR) Part 2101 and the Department of Defense Government Charge Card Guidebook for Establishing and Managing Purchase, Travel, and Fuel Card ProgramsUp to 2 drives, 1x 25" HDD 1x M2 2242 SSD or 1x 25" HDD 1x M2 2280 SSD • 25" HDD up to 1TB • M2 2242 SSD up to 512GB • M2 2280 SSD up to 512GB


Gkg6ciy8nu0zcm


Speakman Sm 3080 Ada Sentinel Mark Ii Ada Shower Combination Polished Chrome Faucet Handles Amazon Com
6'6" (16 meters) to floor 213/32" (61mm) 7/07 vs1001ada note 1 all dimensions are in inches (millimeters) unless otherwise specified and are subjectHi, I'm Jamie, I'm here with the PJN3 unit and I'm going to show you how to replace the screens in your side panels What we are going to need to do this is a drill with a 13/64" drill bit, a vice grips, and then a rivet gun to reinstall the rivets with a person to help with this processTirtoid DNS 1111 yang diluncurkan Cloudflare pada Senin (1/4/18) lalu memiliki waktu respon 10,95 milidetik yang diklaim tercepat di dunia Cara setting DNS ini di perangkat Android, iPhone, MacOS, dan Windows untuk browsing lebih cepat dan aman pun tak sulit DNS (Domain Name System) atau Sistem Penamaan Domain merupakan layanan yang menerjemahkan nama domain website menjadi alamat IP


Speakman S 2500 Mb At Deluxe Vanity Kitchen Serving Van Nuys Van Nuys Ca


Www Tandfonline Com Doi Pdf 10 1080
Shop Showers 244 Products Sort Order Price High to Low Price Low to High Item Number Sort 12 per pageVS1001ADAPC $ 1 $ Speakman Speakman® Versatile® Polished Chrome ADA Plus Handheld Shower System Note DWG P601 Plmb Fixture Sched Note Quoting as true alternate ADA Option, subject to approval Section Total $1, Section Brand Delaney Label Product No Description Net Price Qty Amount UR1 E $8480 1 $84801001win bandar judi terbaik resmi dengan lisensi PAGCOR Menyediakan agen bola terpercaya, online baccarat, judi slot online, poker online Indonesia, etc 1001win bandar judi terbaik resmi dengan lisensi PAGCOR Menyediakan agen bola terpercaya, online baccarat, judi slot online, poker online Indonesia, etc


2


Http Msa Maryland Gov Megafile Msa Speccol Sc5300 Sc5339 Restricted A Z Pdf
Versatile VS1001ADAPC Hand Held Shower with ADA Grab Bar $3 VS1001ADAPC Polished Chrome;Speakman VS1001ADAPC Versatile ADA Plus Handheld Shower System Versatile™ Polished Chrome ADA Plus Handheld Shower System is an ideal solution for healthcare applications The VS1001ADA includes a 59 In metal hose and swivel arm holder As well as a 24 In combination slide car/grab bar with stainless steel and chrome finishFind many great new & used options and get the best deals for Speakman VS1000AFPC Versatile Handheld Shower Polished Chrome at the best online prices at eBay!


Speakman Vs 1001 Ada Pc Versatile Polished Chrome Ada Plus Hand Held Shower System Hand Held Showerheads Amazon Com


Freefire India New Challenge Solo Vs Squad In Heroic League Best Tips And Tricks King Of Ff Youtube
California residents Prop 65 Warnings Warning This product can expose you to chemicals including Lead, which is known to the State of California to cause cancer and birth defects or other reproductive harm For more information go to wwwP65WarningscagovVersatile Polished Chrome ADA Plus Handheld Shower System is an ideal solution for healthcare applications The VS1001ADA includes a 60 In metal hose and swivel arm holder As well as a 24 In combination slide car/grab bar with stainless steel and chrome finish The VS100 handheld shower includes a push button trickle feature for reducing water flow The VS1001ADA is certified to meetGet a bargain deal on the Grohe RetroFit 160 Shower System StarLight Chrome online at the PlumbersStock store excellent Grohe selection


Resident Evil Resistance Pc Survivor Valerie Harmon Vs Ozwell E Spencer Youtube


Speakman Vs 1001 Ada Versatile Ada Plus Hand Held Shower System Amazon In Home Improvement
MFR SPEAKMAN #VS1001ADAPC 00 24 Washer Connection Box for Clothes Washer 96 EA Recessed Wall Box W/White Synthetic Enamel Finish 1/2" Combination MPT Brass Sweat Connection 2" Drain, Bottom Supply MFR GUY GRAY #T0 00 27 FROSTPROOF OUTDOOR FAUCET 18 EASpeakman VS1001ADAPC Handshower Set Versatile Single Function with Grab Bar Polished Chrome ADA 25 Gallons per Minute 24 Inch $225 / ea Qty Add to Cart Guests In Stock Ships In 37 Business Days This item cannot ship to CA, CO CompareVersatile Polished Chrome ADA Plus Handheld Shower System is an ideal solution for healthcare applications The VS1001ADA includes a 60 In metal hose and swivel arm holder As well as a 24 In combination slide car/grab bar with stainless steel and chrome finish The VS100 handheld shower includes a push button trickle feature for reducing water flow The VS1001ADA is certified to meet


Www Speakman Com Wp Content Uploads 03 Comm Q1 Web Pdf


Www Doaks Org Resources Textiles Bibliography Frances Morris Catalogue 1940
VS1001ADAPC Showerhead & Hand Held GENERAL SPECIFICATION Flow control device reduces flow to 25 gpm/946 lpm maximum, to meet existing ANSI A Standard 1/2" NPT inlet S2555 5" diameter solid brass polished chrome plated down pour rain showerhead with a 10" pivoting extension shower arm 108 individual water streamsSpecial offers Kichler Lighting Pressick II >> BLACKHAWK!Free shipping for many products!


Www Ams Org Journals Notices 0501 0501fullissue Pdf


Speakman Sentinelpro 2 Handle 1 Spray Round Shower Faucet With Ada Grab Bar In Polished Chrome Valve Included Sm 5490 Ada The Home Depot
Browse the widest variety of Speakman Shower Systems Complete Systems Versatile Chromes and select a new look to your home Enjoy our superb selection and work with the helpful experts at Advance Plumbing and Heating Supply CompanyOBJECTIVES To update clinical practice guidelines to assist primary care (PC) clinicians in the management of adolescent depression This part of the updated guidelines is used to address practice preparation, identification, assessment, and initial management of adolescent depression in PC settings METHODS By using a combination of evidence and consensusbased methodologies, guidelinesMy son was diagnosed with Type 1 diabetes when he was 3, so it took some time for us to master a new lexicon that had suddenly become part of our daily language ketones, glucagon, hypoglycemia, and the list goes on


St Louis Magazine April By St Louis Magazine Issuu


Http Www E Barnett Com Productdocument 29 Specsheet Pdf
Complete Shower Systems View Details Buy Now Speakman Wish List SentinelPro SM5470 Thermostatic/Pressure Balance Diverter Valve Shower Combination $ SM5470 Polished Chrome;


Journals Sagepub Com Doi Pdf 10 1177


Transkoder 19 User Guide


Http Ldsnet Fairfaxcounty Gov Ldsnet Ldsdwf Pdf


Web Wpi Edu Pubs E Project Available E Project Unrestricted Mt Washington Summit Facility Design And Wastewater Plant Analysis Pdf


Cancers Free Full Text Adenosinergic Pathway A Hope In The Immunotherapy Of Glioblastoma Html


2


History Pibetaphi Org Getmedia Caa e2 463e ab fd664 V69n4 May 1953 Pdf


Speakman Showers Shower Systems Deluxe Vanity Kitchen Van Nuys Ca


Speakman Showers Shower Systems Deluxe Vanity Kitchen Van Nuys Ca


Beagle Hw Reference Manual Datasheet By Circuitco Electronics Llc Digi Key Electronics


Www Mdpi Com 73 4409 9 5 1242 Pdf


Http Pdf Lowes Com Installationguides Install Pdf


Intel Extreme Masters Posts Facebook


Speakman Vs 1001 Ada Pc Versatile Polished Chrome Ada Plus Hand Held Shower System Hand Held Showerheads Amazon Com


Www Cell Com Cell Reports Medicine Pdfextended S2666 3791 0


Files Eric Ed Gov Fulltext Ed2948 Pdf


Aspirin For Primary Prevention Of St Segment Elevation Myocardial Infarction In Persons With Diabetes And Multiple Risk Factors Eclinicalmedicine


Www Workplaceclassaction Com Wp Content Uploads Sites 214 16 12 Eeoc Initiated Litigation Pdf


Speakman Neo Shower Valve Trim In Matte Black Cpt 1001 Mb The Home Depot


Speakman Vs 1001 Ada Pc Versatile Hand Tiendamia Com


Speakman Vs 1001 Ada Pc Versatile Polished Chrome Ada Plus Hand Held Shower System Hand Held Showerheads Amazon Com


Http Igate Northernplumbing Com Specsheets Speakman Vs2954 Pdf


Http Files Eric Ed Gov Fulltext Ed Pdf


Launch X431 Diagun V Full System Professional Diagnostic Tool Obd Obd2 Wifi Bluetooth Code Reader Scanner Pk Pro Mini Tool Engine Analyzer Aliexpress


The Peripheral Peril Injected Insulin Induces Insulin Insensitivity In Type 1 Diabetes Diabetes


Www Doaks Org Resources Textiles Bibliography Frances Morris Catalogue 1940


Senescence And Defense Pathways Contribute To Heterosis Plant Physiology


Commercial Bathroom At Lowes Com


Speakman Showers Shower Systems Deluxe Vanity Kitchen Van Nuys Ca


Inhaled Corticosteroids In Copd And Onset Of Type 2 Diabetes And Osteoporosis Matched Cohort Study Npj Primary Care Respiratory Medicine


Www In Gov Judiciary Opinions Pdf ehf Pdf


Transkoder 19 User Guide


Grab Bars Shower Systems Rampart Supply Colorado Springs Denver Pueblo


Speakman Parts Chromes Bay State Plumbing Heating Supply Springfield Massachussetts


Speakman Showers Shower Systems Deluxe Vanity Kitchen Van Nuys Ca


Secure Img1 Fg Wfcdn Com Docresources 981 5 Pdf


Http Www Palegalads Org Journals Pdf 351 Plj Jun 18 Pdf


Speakman Showers Shower Systems Deluxe Vanity Kitchen Van Nuys Ca


Speakman Showers Shower Systems Deluxe Vanity Kitchen Van Nuys Ca


Glacier Bay Nottely Touchless Single Handle Pull Down Kitchen Faucet With Turbospray And Fastmount In Chrome Hd 1001 The Home Depot


Grab Bars Shower Systems Rampart Supply Colorado Springs Denver Pueblo


Inhaled Corticosteroids In Copd And Onset Of Type 2 Diabetes And Osteoporosis Matched Cohort Study Npj Primary Care Respiratory Medicine


Www Classaction Org Media Dequasie Et Al V Air Methods Corporation Et Al Pdf


Www Homedepot Com Catalog Pdfimages 58 58da4193 8a91 49af 29 Fd4e6bc41e6a Pdf


Glacier Bay Nottely Touchless Single Handle Pull Down Kitchen Faucet With Turbospray And Fastmount In Chrome Hd 1001 The Home Depot


Speakman Handheld Ada Plus Shower System 2wll9 Vs 1001 Ada Pc Grainger


Tzar 1 13b Infinite Resources 1700 Population Vs Rd Giles Youtube


Www Speakman Com Wp Content Uploads 03 Comm Q1 Web Pdf


Low Dose Interleukin 2 Combined With Rapamycin Led To An Expansion Of Cd4 Cd25 Foxp3 Regulatory T Cells And Prolonged Human Islet Allograft Survival In Humanized Mice Diabetes


Class Guide For Perfect World Mobile


Speakman Sm 3090 Ada Sentinel Mark Ii Ada Tub And Shower Combination Polished Chrome Faucet Handles Amazon Com


Glacier Bay Nottely Touchless Single Handle Pull Down Kitchen Faucet With Turbospray And Fastmount In Chrome Hd 1001 The Home Depot


Www Speakman Com Wp Content Uploads 03 Comm Q1 Web Pdf


Jamanetwork Com Journals Derm Articlepdf Doi1300 Pdf


Www Bart Gov Sites Default Files Docs Lexipol policy january 17 Pdf


Speakman Vs 157 Pn At Central Plumbing Heating Central Plumbing And Heating Showroom In Anchorage Alaska Anchorage Alaska


Www Mass Gov Files Documents 19 09 Dar sjc 2 Pdf


Www Schools Utah Gov File D2b F226 4c28 8a 9f06f84df217


Energies Free Full Text Energy Storage Based Smart Electrical Infrastructure And Regenerative Braking Energy Management In Ac Fed Railways With Neutral Zones Html


Www Classaction Org Media Miranda V Waste Management Inc Of Florida Pdf


Aftermarket Avionics Price Guide Elliott Aviation


Speakman Vs 1001 Ada Pc Versatile Polished Chrome Ada Plus Hand Held Shower System Hand Held Showerheads Amazon Com


Http Www E Barnett Com Productdocument 29 Specsheet Pdf


Http Website60s Com Upload Files The ps Journal Vol 21 Iss 5 25 Pdf


Www Ams Org Journals Notices 0501 0501fullissue Pdf


Http Www Ada Org Media Ada Education and careers Files Cdel Comments16q2 Pdf La En


Www Speakman Com Wp Content Uploads 03 Comm Q1 Web Pdf


Ada Compliance Explained Speakman Company


Www Speakman Com Wp Content Uploads 03 Pricebook Spk Web Pdf


Www Speakman Com Wp Content Uploads 03 Comm Q1 Web Pdf


Speakman Vs 1001 Ada Pc Versatile Hand Tiendamia Com


New Sinnoh Access Quest Guide Quest Walkthroughs Pokemon Revolution Online


Www Speakman Com Wp Content Uploads 03 Comm Q1 Web Pdf


Speakman Vs 1001 Ada Pc Versatile Hand Tiendamia Com


Binary Coded Decimal Wikipedia


Speakman Versatile Vs 1001 Ada Pc Hand Held Shower With Ada Grab Bar Speakman


18 Aha Acc cvpr pa Abc Acpm Ada Ags Apha Aspc Nla Pcna Guideline On The Management Of Blood Cholesterol A Report Of The American College Of Cardiology American Heart Association Task Force On Clinical Practice Guidelines Journal Of The


Speakman Handheld Shower Shower Heads At Lowes Com


Search The Employers Receiving Ppp Loans In Illinois Chicago Sun Times


8ph4jvtrlip8xm


The Best Tanks In War Machines Tank Battle On Pc Bluestacks


Pyramid Of Doom Level 1001 Impossible Level With Gargantuar Pvz2 Endless Zone Youtube


Speakman Showers Shower Systems Deluxe Vanity Kitchen Van Nuys Ca


Speakman Showers Shower Systems Deluxe Vanity Kitchen Van Nuys Ca


No comments:
Post a Comment